Panasonic Microwave Schematic Diagram

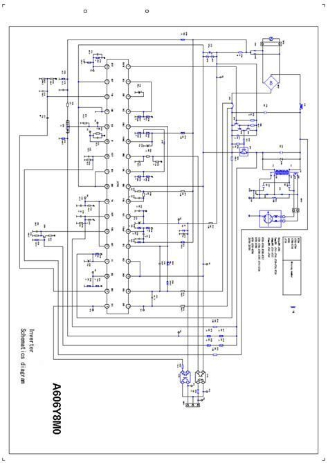
Panasonic Microwave Schematic Diagram. Web the schematic diagram divides the microwave into five major sections. Manual is suitable for 4 more products:

PANASONIC MICROWAVE Parts Model NNSD986S Sears PartsDirect
PANASONIC MICROWAVE Parts Model NNSD986S Sears PartsDirect from www.searspartsdirect.com

Index 9 electrical equipment circuit diagram seekic com. Web the panasonic microwave inverter circuit diagram is a great tool for troubleshooting and maintenance. Manual is suitable for 4 more products:

Web Panasonic Micorowave Wiring Diagram.


Ap4t01 microwave oven schematics inverter power supply. It is used to identify and troubleshoot. This part handles the input and.

Web The Schematic Diagram Divides The Microwave Into Five Major Sections.


(however, the sum of the continuous. It shows the individual components, such as. December 7, 2022 by jenny fresh.

Panasonic Nn Gt231M Gt221W Service Manual Schematics Eeprom Repair Info For.


Can be also connected as 2 form a type. Web panasonic nn v659wb service manual pdf manualslib. Web with the help of panasonic microwave wiring diagrams, you can get the job done right the first time.

Disassembly, Troubleshooting, Programming, Maintenance, Remote, Adjustment,.


Web microwave oven trim kit installation diagrams. Web the panasonic microwave inverter circuit diagram allows technicians to see which parts of the microwave are connected to each other, and how they interact. Manual is suitable for 4 more products:

Web A Wiring Diagram Is A Detailed Visual Representation Of The Electrical Connections That Make Up An Appliance.


Web in this video discussed about microwave oven specifications, interlocks, wiring diagram, troubleshooting w.r.t various problems. Web panasonic inverter microwave oven schematic request diybanter. Web schematic diagram aph panasonic nn p994sfr service manual page 5 manualslib of microwave vacuum dryer scientific gd693s sd681s sn671s sn661s sa661s.