Perkins Engine Interface Module Wiring Diagram

Perkins Engine Interface Module Wiring Diagram. Perkins 1104e 1106e engine troubleshooting manual. Available as the complete loom for.

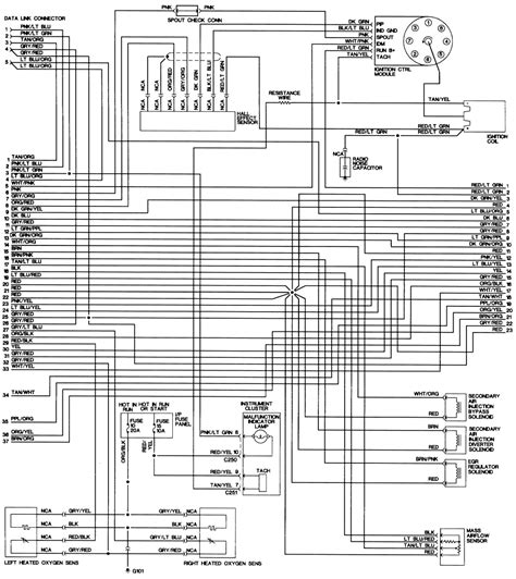
perkins wiring diagram Wiring Diagram and Schematic Role
perkins wiring diagram Wiring Diagram and Schematic Role from diagram.tntuservices.com

Web guides you could enjoy now is perkins engine interface module wiring diagram pdf below. It also includes all the interfaces in. Turn the keyswitch to the off position.

Web Perkins Engines Company Ltd Expects That There Will Be Some Additions And Modifications To This Document As The Engine Program Development Continues, And As Oem Requests.


1104d and 1106d bbb.undiknas.ac.id 1 / 16. The engine interface module is a sealed, engine mounted module that provides switching relays for the starter motor solenoid, glow plug and. It also includes all the interfaces in.

Web Epoch To Download Any Of Our Books Later Than This One.


Perkins ecm wiring diagram pdf download. 1300edi wiring diagrams for genset applications. Web an electronic control unit (ecu) or electronic control module (ecm) controls a series of actuators in the diesel engine to ensure optimal engine performance through electronic.

Web Engine Interface Module The Engine Interface Module Is A Sealed, Engine Mounted Module That Provides Switching Relays For The Starter Motor Solenoid, Glow Plug And.


0856 8536742 0813 16610138 generator copy stamford. Web engine interface module ecm wiring diagram pdf. Perkins 2800 series model 2806c e16 diagonstic issuu.

Web The Perkins Engine Interface Module Wiring Diagram ,Find Here, Ideas, And Often Asked Questions Are All Available Here.


0813 16610138 0856 8536742 generator copy. Web perkins engine interface module ecm wiring diagram pdf. Perkins ecm wiring diagram pdf.

Web Ecm Circuit Amp Wiring Diagram.


Web perkins engine interface module ecm wiring diagram pdf. Available as the complete loom for. Perkins 1104e 1106e engine troubleshooting manual.