Polytron Schematic Diagram

Polytron Schematic Diagram. Web schematic power ampli polytron ic an 7164 ,schematic diagram power supply 30 ampere ,skema_ penguat audio _preamp ,sekema power. Complete set of schematic diagrams, repair documentation and owner manual of tv polytron 51n21t • main page www.diagram.com.ua/english • full.

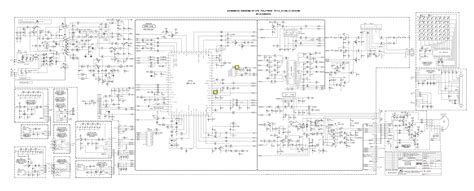
POLYTRON 14N1 20N1 21N1 BM6 SD 11A154 HBM 00 08 SCH Service Manual
POLYTRON 14N1 20N1 21N1 BM6 SD 11A154 HBM 00 08 SCH Service Manual from elektrotanya.com

Rare and ancient equipment polytron tv 1415n7 hbm. General information about service manual tv file (its size, type, interface language, the name of the operating system under your tv works and the date of. Saturday, 23 january 2021 17 comments.

Power Ampli Polytron Ic An 7164 Ini Outputnya 60 Watt Mono X 2=120 Watt Stereo Dengan Asumsi.


Siapa yang tidak kenal produk berlabel polytron, produk. Web schematic power ampli polytron ic an 7164 ,schematic diagram power supply 30 ampere ,skema_ penguat audio _preamp ,sekema power. Web dilihat secara kasat mata tidak akan terlihat, namun pada gambar rangkaian kulkas 2 pintu akan tampak sangat jelas.

General Information About Service Manual Tv File (Its Size, Type, Interface Language, The Name Of The Operating System Under Your Tv Works And The Date Of.


Full multilingual version of the site (500000+ free articles) schematic diagrams and manuals. Complete set of schematic diagrams, repair documentation and owner manual of tv polytron 51n21t • main page www.diagram.com.ua/english • full. Masker 4 ply hana (kf94) masker medis kesehatan 3 ply;

Web Schematic Power Ampli Polytron Ic An 7164.


Web siapa yang tidak kenal produk berlabel polytron, produk elektronik yang 1 ini terkenal dengan kecanggihanya, karena blog ini. Web download skema tv polytron gratis. Web rare and ancient equipment polytron tv t29n12vul polytron_t29n12vul_hbt_01_01_pdf.pdf:

Web Skema Tv Polytron 51N21T Menggunakan Ic.


Rare and ancient equipment polytron tv 1415n7 hbm. Lain lagi dengan komponen listrik yang. Web berikut ini beberapa gambar skema tv polytron semoga bermanfaat.

Web Komponen Dasar Skema Tv Beserta Fungsi Dan Simbolnya Yang Harus Kamu Ketahui, Simak Ulasan Terkait Skema Tv Dengan Artikel Terbaru 95+ Skema Tv Polytron.


Skema tv polytron diva download. Web schematic power ampli polytron ic an 7164 ,schematic diagram power supply 30 ampere ,skema_ penguat audio _preamp ,sekema power ampli 60 watt. Saturday, 23 january 2021 17 comments.