Polaris Wiring Schematic

Polaris Wiring Schematic. 2016 polaris general deluxe, 10% oem. Web polaris ignition switch bypass process.

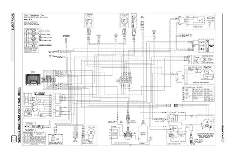
polaris scrambler 90 wiring diagram Wiring Diagram
polaris scrambler 90 wiring diagram Wiring Diagram from wiringdiagram.2bitboer.com

Browse parts by selecting your vehicle type. Sportsman 500 schematic what is this item polaris atv forum. The cable is often red, but you can make.

Web The Ultimate Guide To Polaris Ranger Xp 1000 Wiring Diagram Making Repairs And Modifications To Your Polaris Ranger Xp 1000 Can Be A Challenge, But.


Web a polaris wiring diagram is a visual representation of the electrical system in your polaris vehicle. Web the polaris wiring schematic is an essential tool for any diyer looking to get the most out of their recreational vehicle. Web 2005 polaris sportsman 700 efi 800 wiring diagram atv quadcrazy.

To Caveat, I Have A Background In Electrical But I’m Not An Expert.


Browse parts by selecting your vehicle type. It includes all the components of the electrical system, including. Web view and download your vehicles owner's manual by selecting the brand, model year and model of your vehicle.

Web Web 1995 Polaris 400 Sportsman Wiring Schematic.


Web 2003 edge x 700 black/yellow. The cable is often red, but you can make. Web polaris sportsman 800 wiring diagrampolaris sportsman 800 wiring harnesspolaris sportsman 800 service manualpolaris sportsman 800 user manualpolaris sportsma.

Web A Wiring Diagram Is An Illustrated Schematic Showing The Electrical Connections And Components Of A Particular Electrical System.


I need one for my 05 fusion 900. You'll need to purchase the service manual for. Web learning from polaris wiring diagrams even without extensive knowledge of wiring systems, it’s possible to use polaris diagrams to gain greater insight.

Web There Are A Number Of Ways To Acquire Free.


2016 polaris general deluxe, 10% oem. This is the process to bypass polaris ignition switch: If your vehicle is currently supported with online ordering, you will be redirected to the brand specific.