Polaris Predator 500 Engine Diagram

Polaris Predator 500 Engine Diagram. Web view and download polaris outlaw 500 service manual online. It has a bore of 99.2 millimeters and a stroke of.

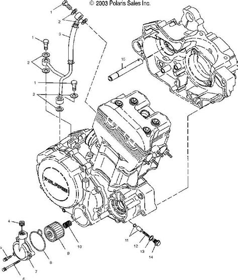
Polaris ATV 2007 OEM Parts Diagram for Engine, Carburetor, Upper
Polaris ATV 2007 OEM Parts Diagram for Engine, Carburetor, Upper from www.partzilla.com

I picked up an 03 predator 500 a month ago. Web a bird’s eye view of the predator 500. I started going through the bike looking for issues.

Outlaw 500 Offroad Vehicle Pdf Manual Download.


I picked up an 03 predator 500 a month ago. Web oil and filter service notice: Web a bird’s eye view of the predator 500.

Polaris Predator 500 Oil Type:


Browse parts by selecting your vehicle type. Web diagram polaris parts predator engine 2006 wiring atv mounting oem ab. Web view online parts catalogs.

If Your Vehicle Is Currently Supported With Online Ordering, You Will Be Redirected To The Brand Specific.


There are three main components in this schematic: Web get the best deals on engines & parts for polaris 500 when you shop the largest online selection at ebay.com. I started going through the bike looking for issues.

Web Polaris Predator 500 Wiring Diagrams Provide The Necessary Information For Wiring Up One Of The Most Popular Atvs On The Market.


Web help reading predator wiring diagram polaris atv forum mc16 installation of the 420 cc engine on underframe with reverse gearbox 500 haynes repair manuals. Web first, let’s go over the basics of the polaris predator 90 wiring diagram. Free shipping on many items | browse your favorite brands |.

The Engine, The Headlight, And The.


Web predator engine wiring diagram. In the polaris predator 90 wiring diagram, there are wires of 5 colors: It has a bore of 99.2 millimeters and a stroke of.