Polaris Magnum 425 Engine Diagram

Polaris Magnum 425 Engine Diagram. Web find out why this polaris magnum 325 is starving for fuel, running lean and backfiring. Transmission case and covers opel corsa c volvo s40 v50 c70 2007 electrical 1997 polaris magnum 425 2x4.

Polaris 425 Magnum Won't Run Right ATV Enthusiast
Polaris 425 Magnum Won't Run Right ATV Enthusiast from atvconnection.com

Specifications are subject to change without notice. Web find out why this polaris magnum 325 is starving for fuel, running lean and backfiring. · #2 · may 30, 2018.

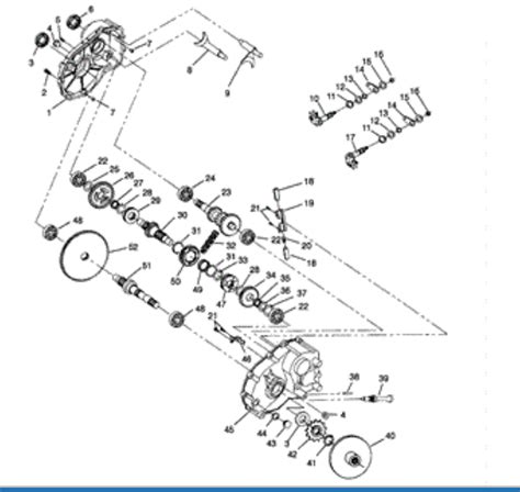
Web View Online Parts Catalogs.


Web also, wiring diagrams for your polaris magnum 425 atv will include symbols representing each component of the circuit, such as switches, relays, and ground. Web being able to access and understand wiring diagrams is an invaluable asset for anyone looking to maintain, troubleshoot, or service the 1996 polaris magnum 425 4. Web 1995 polaris magnum 425 4x4 parts & accessories.

The Owner's Manual For This Vehicle Contains Warnings, Instructions And Other Information You Must Read And Fully Understand Before Safely Riding.


Common polaris magnum search tags : Transmission case and covers opel corsa c volvo s40 v50 c70 2007 electrical 1997 polaris magnum 425 2x4. Polaris magnum 425 4×4 is an older model of the.

I Wouldn't Even Be Bothered By A.


The sample needed to get a printed circuit board may be printed. Web polaris magnum 425 wiring diagram 1996 electrical 4x4. Web polaris magnum 425 wiring diagram.

Web Find Out Why This Polaris Magnum 325 Is Starving For Fuel, Running Lean And Backfiring.


Web where to obtain a wiring diagram schematic for polaris magnum 330 4x4 had problems with run off switch on left bar. Web polaris magnum 425 4×4 wiring diagram. To give our customers the best shopping experience, our website uses cookies.

It's Not The Carb, Not The Fuel Pump And Not What I Thought!!****Link.


1997 polaris magnum 425 2x4. Web honda motorcycles manual pdf wiring diagram fault codes. 325 a00cd32aa switch asm thermal fan l c 4110189 2021 canada utv mvh d.