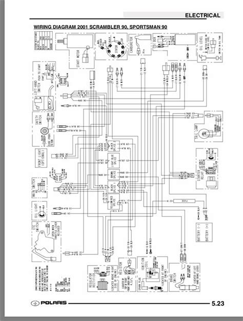
Polaris 500 Schematic

Polaris 500 Schematic. The reason why, is the 500 stator has 2 wires. Looking for a belt, spark plugs or oil?

2008 Polaris Sportsman 500 Wiring Diagram Pdf Easy Wiring
2008 Polaris Sportsman 500 Wiring Diagram Pdf Easy Wiring from easywiring.info

2008 polaris sportsman 500 ho wiring diagram page 2 atv. Web put a blank sheet of paper next to the wiring diagram and just draw the simple circuit. If you still have the six terminal plastic connector the delphi metripak 150 & 280 series terminal.

Document About Polaris Atv Sportsman Wiring Diagram Is Available On Print And Digital Edition.


Web sportsman 500 wiring diagram. Web sportsman 500 schematic what is this item polaris atv forum. Web this is the most complete service repair manual for the 1996 1997 1998 polaris snowmobile ever compiled by mankind.

If You Still Have The Six Terminal Plastic Connector The Delphi Metripak 150 & 280 Series Terminal.


Web the 2004 polaris 500 wiring diagram is divided into sections that correspond to the different components of the atv. My 2007 sportsman 500 doesn t start no click or dash lights even battery is good i can. The reason why, is the 500 stator has 2 wires.

Web Web 2000 Polaris Xplorer 400 4X4 Parts.


Web famous wiring diagram 2006 polaris sportsman 500 6x6 parts 2022. Web the 12022 polaris sportsman 500 wiring schematics also provides valuable information on how to properly install and maintain the electrical system. 2008 polaris sportsman 500 ho wiring diagram page 2 atv.

Web The Terminals Are Delphi (Aptiv) Metripak 280 Part # 12034046.


Web the polaris ranger 500 efi wiring schematic is a great resource for anyone working on their machine. Polaris snowmobile service manuals for. These sections include the battery, starter,.

Web Polaris Wiring Diagram 800 Rzr Ranger Snowmobile Indy Efi Schematic Cat Arctic Sportsman Parts.


Web the polaris sportsman 500 has been a reliable workhorse of the atv world for many years, and its wiring schematic is essential for proper maintenance or repair. Web sportsman 500 schematic what is this item polaris atv forum. The owner's manual for this vehicle contains warnings, instructions and other information you must read and fully understand before safely riding.