Pin 2000 S10 Wiring Schematic

Pin 2000 S10 Wiring Schematic. This information allows you to easily. It provides a comprehensive overview of the electrical.

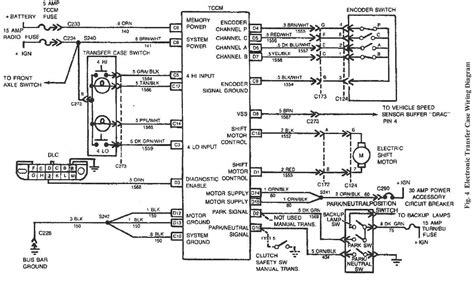
S10 Blazer Wiring Diagram
S10 Blazer Wiring Diagram from diagrambox.netlify.app

Web 4.3l (vin w), engine performance wiring diagrams (4 of 4) for chevrolet s10 pickup 1996. Web it runs, everything works. Just matched all the wiring circuits from 4.3 engine harness to.

2000 Chevy S10 Tail Light Wiring Diagram Pictures To Pin On Pinterest.


It is important to remember that the. Web 4.3l (vin w), engine performance wiring diagrams (4 of 4) for chevrolet s10 pickup 1996. Web 2001 chevy s 10 fuel pump delivery my vehicle has done the.

Web For Starters, The 2000 S10 Headlight Wiring Diagram Includes A Detailed Schematic Of The Connector And Wire Colors.


A wiring diagram provides an. ) to either the positive side of the coil, or the red wire that leads to the coil. To properly read a wiring diagram, one has to know how the components within the method operate.

Web Web I Have A 2002 Chevy S10 Pickup With Delco Model 15071662 Am Fm Cd Stereo The 9 Pin Connection For An Optional.


Web chevy s10 headlight wiring diagram. 1989 c1500 k5 s10 diagrams motogurumag chevytalk suburban. Web 2000 s10 cluster wiring diagram.

Yellow Right Rear Speaker Positive Wire (+):.


Web run a wire from the positive side of the battery (not negative! How to read and interpret wiring. 2015 lt headlamp low beam drl traverse forum.

Pulled Out Motor And Trans, Will Be Installing A 383 Carbed (No Choke) Paired With A.


Just matched all the wiring circuits from 4.3 engine harness to. Web web fuel pump relay loction 2000 s10 pickup4 3 engine. 18 pictures about 2001 chevy s10 engine and transmission 4 cylinder gmc sonoma for sale :