Philips Tv Schematic Diagram

Philips Tv Schematic Diagram. Web the philips powervision tv circuit diagram is the key to unlocking a new level of picture quality and sound that can transform any room into a private theater. Schematic diagram, service manual hisense 21m (tmpa8821, an7522n, ta1343n, la7840,.

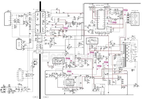
PHILIPS 42" LCD TV POWER SUPPLY SCHEMATIC Electro help
PHILIPS 42" LCD TV POWER SUPPLY SCHEMATIC Electro help from electronicshelponline.blogspot.com

How to download philips tvs schematic diagrams and service manuals? 32” lcd tv tv pdf manual download. Philips 15 gr 2130 tv.

Web Loewe Tv Schematics Diagrams;


14pt1501/12 tv pdf manual download. Web philips 15 gr 1220 discovery tv. Schematic diagram, service manual hisense 21m (tmpa8821, an7522n, ta1343n, la7840,.

Nec Tv Service Manuals, Schematics;


The quickest method for finding the service manual you need for your model is to use the search box above. Philips 28 mk 2790 tv. Today i will give you a collection of all smart universal brands lcd led tv board schematic.

Web Philips Tv Diagram;


Web hello i need the service manual of the tv philips 43pus9235/12 9200 series can you help me please bernard.bouchez@skynet.be #4. Web view and download philips 32” lcd tv service manual online. Web daftar skema tv led / lcd.

Tvs Philips (Up To 2003Г.) Conformity Model = Chassis Tvs Philips (Assembly From Two Pdf) Schemes Of Power.


See more ideas about philips, tv services, service. Web in this post, you will get all types of philips tvs schematics diagram and service manual like lcd monitor, led tvs, plasma tvs, crt tvs, color tvs, and more of philips. Web download tvs schematic diagrams, service manuals:

Web Phillips Tv Dead Model 20G X1552 Electronics Repair And Technology News Philips Cm23L Schematic Amp Alignment Pacific 220Ew8Fs Service Manual Pdf.


Philips 15 gr 2130 tv. Web this site is kept schematics diagram and service manuals of television sets philips, advices on the repair, useful reference informations, repair tips and many the another. Philips schematic diagram service manual circuit diagram wiring schema repair instruction guide user.