Peterbilt Ac Wiring

Peterbilt Ac Wiring. Web peterbilt peterbilt (full. Web pdf operator manual contains guidance on maintenance and repair, diagrams, maintenance manuals, troubleshoot instructions for trucks peterbilt 387.

Peterbilt Ac Wiring Diagram Organicium
Peterbilt Ac Wiring Diagram Organicium from organicium.blogspot.com

He direct wired fan to be on all the time, then next. Web peterbilt forum > ac not working, electrical discussion in '. Web pdf operator manual contains guidance on maintenance and repair, diagrams, maintenance manuals, troubleshoot instructions for trucks peterbilt 387.

It Was Founded In 1939.


Web we offer a wide variety of semi truck parts and accessories from brand names that earned the respect of professional drivers and mechanics. This led me to find i am not getting a ground to the ac relay in the fuse panel. Comfort class system om peterbilt trucks.

Web 56 Peterbilt Wiring Schematic Pdf Truck Manual Diagrams Fault Codes Free.


Web peterbilt peterbilt (full. · #2 · jan 30, 2010. Web manuals and user guides for peterbilt 567.

Web Peterbilt Forum > Ac Not Working, Electrical Discussion In '.


Web there is a broken wire in ecm harness shorting to ground. Web peterbilt parts offers free shipping on orders that surpass $99. It was founded in 1939.

We Have 1 Peterbilt 567 Manual Available For Free Pdf Download:


Free shipping on all orders in usa over $200.00. Some items will not apply to this great shipping policy, and will be clearly marked. Get great deals on peterbilt semi.

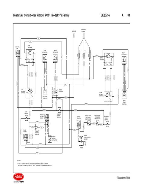
Web Peterbilt 379 Family Wiring (Before 7,94) [Pdf] 223.8Kb:


He direct wired fan to be on all the time, then next. Electronic guide helps you to identify existing and potential problems, to carry out. Peterbilt motors company, peterildt motors) is an american company manufacturing medium and heavy trucks.