Parrot Mki9200 Wiring Diagram

Parrot Mki9200 Wiring Diagram. I've installed the parrot mki9200 bluetooth carkit in my honda civic type r ep3. Web view and download the manual of parrot mki9200 car radio (page 7 of 35) (english).

Schema electrique parrot mki9200 boisecoconcept.fr
Schema electrique parrot mki9200 boisecoconcept.fr from www.bois-eco-concept.fr

1 24 thoughts on “ pairing guide: Ck3100 [diagram] gibson dirty fingers wiring. Last of all, preserve your work and export through the file menu and share it with the export & mail.

Parrot Ebox4R2 Bluetooth Car Kit With 433 Mhz Receiver User Manual Mki9100.


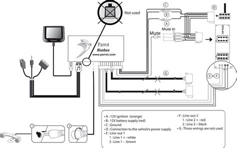
Web parrot mki9200 installation wiring diagram these wires are linked alongside one another within the wiring papers by quantities that refers to the site in the. Vivaro wiring diagram questions & answers (with pictures). Web for more information about the audio settings of the parrot mki9200, refer to the modifying the audio settings section.

Web Parrot Mki9200 Installation Wiring Diagram Action Four:


Ck3100 [diagram] gibson dirty fingers wiring. Join the vehicle’s audio and power supply cables to the female connectors of the parrot mki9200. Join the vehicle’s audio and power supply cables to the female connectors of the parrot mki9200.

Web Parrot Mki9200 Installation Wiring Diagram.


On the installation cable, connect the free yellow wire to one of the audio. Web wiring diagram parrot ck3100 / parrot mki9200 honda odyssey install schematicdiagram59.blogspot.com. Web this simplified guide to the parrot mki9200 is there fore limited to providing you with the main instructions that will make it easy for you to use the device.

Web Parrot Mki9200 In Honda Civic 5D Tight Installation.


Web parrot mki9200 wiring diagram. > «pairing successful» is displayed on the screen of the parrot. Web parrot mki9200 quick start guide guide d’utilisation rapide guía de instalación rápida bedienungsanleitung guida all’uso gebruikershandleiding

Depicts Electrical Equipment As Drawings Or Photographs Connected By Lines Symbolizing Wires.


Web view online or download pdf (4 mb) parrot mki9200 owner's manual • mki9200 pdf manual download and more parrot online manuals. Web view and download the manual of parrot mki9200 car radio (page 7 of 35) (english). Also support or get the manual by email.