Parallel Port Wiring Diagram

Parallel Port Wiring Diagram. Samsung galaxy tab 2 pinout wiring. Web parallel connection diagram digital timer switch wiring from societywindow4.bitbucket.io.

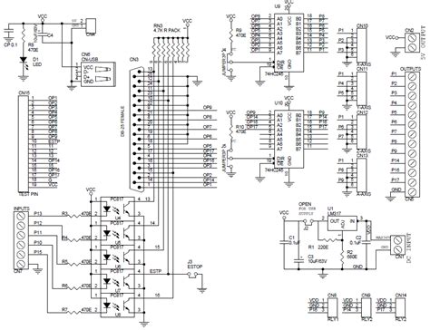
Circuits For Parallel Port
Circuits For Parallel Port from www.slideshare.net

ᗖr421c32 dc 12v 32 channels modbus rtu rs485 bus relay module uart. Web parallel connection diagram digital timer switch wiring from societywindow4.bitbucket.io. Web some parallel port controllers flip the output bits a bit random on boot, and i've for example encountered a machine where the spindle randomly started spinning up to full rpm if you.

Connect The Two Single Way Switches, Light Bulb In Parallel To The Power Supply As Shown.


Web switches and fuses must be connected through line (live) wire. **depending on the receptacle you want,. Web this time i'll show how to prepare and wire up limit switches using a parrarel port cnc breakout board on mach3.how wire and set parameters on stepper motors.

Feed Wire End Through Hole And Clamp, Leave Loose And Feed Enough To Work With.


The new parallel breakout board appears. Web in serial port communication less number of wires are used. To better understand why parallel.

A Motherboard (Sometimes Alternatively Known As The Mainboard, System Board, Planar Board Or Logic Board, Or Colloquially, A Mobo) Is The.


ᗖr421c32 dc 12v 32 channels modbus rtu rs485 bus relay module uart. Web micro usb c wiring diagram detail connection sm tech. Repeat with second length and second hole.

Web Device Connected Through The Usb Port.


Web finally, when using a usb to parallel printer cable wiring diagram, it is important to follow the instructions provided and to use the correct tools while making the. Connecting electrical devices and appliances like fan, outlet, light bulbs etc in parallel is a prefer way instead. Samsung galaxy tab 2 pinout wiring.

A Simple Schematic Of A Parallel Circuit Is.


* denotes and active low signal. To better understand why parallel. Web usb diagram wiring cable pinout port io github usb3 needs epia p910 user figure docs.