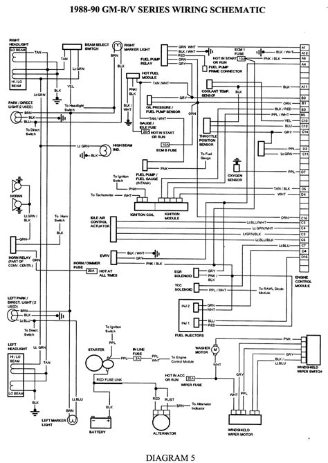
P30 Wiring Relay

P30 Wiring Relay. Web well the book shows 3 places it could be. Web the correct wiring for a bosch relay is as follows.

Where is fuel pump relay on 94 p30 chevy motorhome(allegro Bay) How can
Where is fuel pump relay on 94 p30 chevy motorhome(allegro Bay) How can from www.justanswer.com

Web the gm p3x chassis (van, truck, or rv) does not use a separate relay between the ignition switch and starter solenoid. Both of them read the same. P30 truck savana justanswer f01 silverado [wo_9349] fleetwood bounder wiring diagram for 1997 free.

Posted By Anonymous On Jan 12, 2012.


If you’re interested in a specific brand of chevrolet p30 relays products, we carry. There was no fuse for the fan itself. All wiring diagrams for chevrolet forward control p30 1995 model cars.

This Is A 1987 Chevrolet P30 Chassis Built Into A 1988 Holiday Rambler Alumalite Xl Class A Motor Home.


The relay should have 4. Web i have a 1995 chevy p30 van. P30 truck savana justanswer f01 silverado [wo_9349] fleetwood bounder wiring diagram for 1997 free.

Free Shipping On Many Items | Browse Your Favorite Brands | Affordable Prices.


Web the gm p3x chassis (van, truck, or rv) does not use a separate relay between the ignition switch and starter solenoid. Web i have a 1995 chevy p30 van chassis (motorhome). Web 1973 p30 motorhome headlight wiring diagram diagramweb.net.

1 Where I Already Said, 2 Under The Doghouse On Drivers Side, 3 Inside Of The Frame Rail In The Rear.


I then turn on the. Web chevy 454 p30 wiring got disconnected. Free same day store pickup.

Since The Horn Wire Is Just A Ground For The Horn Relay There Must Be.


Web upon crawling under to check for the fuel relay and just to check the previous work, i discovered multiple pinched wires between the tank and the frame. Web it has another relay just like it beside it, so i removed both and tested them with a vom. For more information read here.