Ovation Preamp Schematic

Ovation Preamp Schematic. Web a simple method can be used to remove the preamp from an ovation guitar, using common hand tools and minimal expertise. Web if you ever need to remove certain ovation preamps, you might find yourself scratching your head as you look for the fixings/mountings.

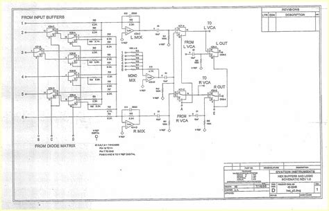
Ovation OPX PreAmp Schematic
Ovation OPX PreAmp Schematic from ovationtribute.com

I picked one up, would like to restore it but a little leery about it. Web only 1 body hole necessary. Web download 101 ovation guitar pdf manuals.

18 Pics About Ovation Amplifiers :


The individual images can be mixed with the natural soun. Web chances are that it is a contact on the 1/4 jack. It's about 14 months old and.

Web Free Schematics And Diagrams.


Web any chance anyone may have a schematic for the ovation 6051 preamp made in the early 70's? Web i live in france and i'm the happy owner of ten ovation guitars. I picked one up, would like to restore it but a little leery about it.

Web Download 101 Ovation Guitar Pdf Manuals.


Web page 2 your new ovation guitar is equipped with the latest in a series of preamps that have provided. For some reason, the 1/4 jack is. Web if you ever need to remove certain ovation preamps, you might find yourself scratching your head as you look for the fixings/mountings.

Get The Best Performance From Your New Ovation.


Web it features incredible new technology simulating studio mic’ed guitar sounds. User manuals, ovation guitar operating guides and service manuals. The first time i encountered.

Web Only 1 Body Hole Necessary.


Ovation continues to lead the industry in professional. Web a simple method can be used to remove the preamp from an ovation guitar, using common hand tools and minimal expertise. Please read this brief manual thoroughly to insure you.