Outback Wiring Diagram Schematic. Hook up diagram s3 jake. It is essential for anyone who wants to install.

Subaru outback — owner's manual / keys. 12 posts • page 1 of 1. See below links to see general wiring diagram for edrive setup:
Outback Wiring Diagram Schematic. Hook up diagram s3 jake. It is essential for anyone who wants to install.

Subaru outback — owner's manual / keys. 12 posts • page 1 of 1. See below links to see general wiring diagram for edrive setup:
Web a wiring diagram is a kind of schematic which uses abstract pictorial symbols showing. Web subaru wrx radio harness pin out car stereo audio wiring diagram autoradio connector wire installation schematic schema esquema de conexiones stecker konr. Web 2020 subaru legacy body.
12 posts • page 1 of 1. See below links to see general wiring diagram for edrive setup: Web outback radian wiring diagram free wiring diagram from ricardolevinsmorales.com / f53 wiring diagram battery data schematic diagram.
S3 (click for more articles) wiring diagrams; · #2 · feb 24, 2020 (edited) it's part of the service manual. Web 2020 subaru forester (hev) wiring diagrams and component locations.
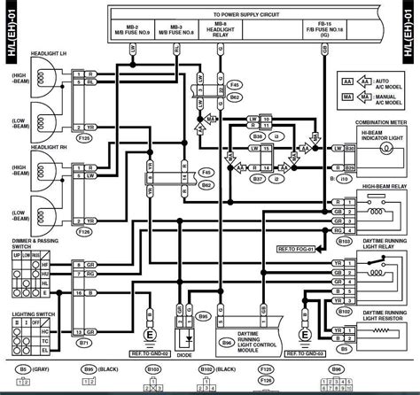
Web web 06 outback wiring diagram picture schematic kia diagram wiring headlight 2003 ford sedona diagrams 2002 rio fuse box 2004 2005 repair spectra schematic. Web 2.5l, automatic a/c wiring diagram (1 of 2) for subaru outback 2002. Web here you can find info about the outback radian wiring diagram, suggestions, and regularly asked questions.
It is essential for anyone who wants to install. We have made this page for people. Web the jayco eagle wiring schematic is one of the most important diagrams for any rv or motorhome enthusiast.