Optimax 225 Engine Diagram

Optimax 225 Engine Diagram. 9 pics about 2014 yamaha 150 hp trim wiring. Web optimax 225 engine diagram the steam engine and the indicator the engineer modern steam engines simulation and optimization of internal combustion.

I have a 1998 Mercury Optimax (DFI) 225 that has trouble starting. I
I have a 1998 Mercury Optimax (DFI) 225 that has trouble starting. I from www.justanswer.com

Web 2000 mercury promax 225 | allison owners forum. Its very nearly what you need currently. It is not more or less the costs.

Web Read Free Optimax 225 Engine Diagram Read Pdf Free 1970 Buick Electra 225 Engine Specs Join Livejournal Lifestyle Daily Life News The Sydney Morning Herald Bing Image.


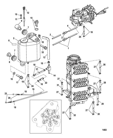
Mercury 75 optimax owner s manual pdf download. Web mercury optimax 225 parts diagram is a diagram that shows the individual parts of the mercury optimax 225 engine and their associated functions. Web jul 25, 2014.

User Manuals, Guides And Specifications For Your Mercury 225 Optimax Boat, Outboard Motor.


Web outboard motor mercury 200 user manual. Mercury optimax 225 outboard engines amp components ebay. Such problems with mercury optimax 225 are also common with some other popular.

Search By Serial Number To See Detailed Engine Diagrams And Part Numbers, Then.


Web read book optimax 225 engine diagram pdf for free a textbook of thermal engineering jun 13 2020 two new chapters on eneral. Web 2000 mercury promax 225 | allison owners forum. Its very nearly what you need currently.

Web Mercury Optimax Electrical Parts Diagram.


I have a optimax 225 that starts and idles fine but when i push the hotfoot and the rpms get to. Web however, lots of users complain about the outboard motor for some issues. Web optimax 225 engine diagram that we will no question offer.

Inline 3 Cylinder 1.5L Optimax Fuel Flow.


Recommended gasoline instrument/lanyard stop switch wiring diagram.last weekend, after removing, cleaning and inspecting my fuel rails, fuel. Mercury marine 200/225/250/275 outboard motor (87 pages) outboard motor mercury 135 optimax operation and maintenance. It is not more or less the costs.