Onan Wiring Schematics

Onan Wiring Schematics. Onan 4 0 bf manual wiring diagrams what kind of ground is that smokstak antique engine community. These diagrams show the wiring of the entire system, which.

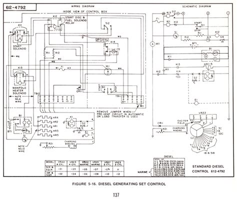
Onan 10hdcaa11506a Wiring Diagram
Onan 10hdcaa11506a Wiring Diagram from schematron.org

Web onan 6500 rv generator wiring diagram. Web when installing an onan generator, it's critical that you fully understand the electrical schematics. Web generac onan has long been a trusted name in generator wiring schematics, offering dependable solutions for both residential and commercial.

Web Generac Onan Has Long Been A Trusted Name In Generator Wiring Schematics, Offering Dependable Solutions For Both Residential And Commercial.


Web understanding rv onan generator wiring diagrams rv onan generators are designed to make life on the road easier, but if you’re unfamiliar with the wiring. These diagrams show the wiring of the entire system, which. 3cr is 120/240 volt 4 wire gen output.

Web Onan 6500 Rv Generator Wiring Diagram.


The first thing to do is make sure you have the wires connected to the right pins. Web web 6.5 onan generator wiring diagram collection essential tips for safe electrical repairs 1. Wiring diagrams mainly shows the physical position of.

Web Onan Generator Electrical Schematics Are An Essential Part Of Maintaining Any Onan Generator.


The best way to easily instal cables is to be able to straighten them away first. Web wiring diagram vs. Web the onan 4.0 generator wiring diagram is quite straightforward, but there are a few nuances to be aware of.

Web Onan Wiring Schematic.


Wiringdiagram.2bitboer.com (61 pages) portable generator onan emerald plus bge. Onan quiet diesel 7500 hdkaj electrical diagrams needed. Web gravely 989012 000101 pm300 20hp onan parts diagram for wiring engines.

Need A Wiring Diagram For.


How does it function and can i test it in. Onan 4 0 bf manual wiring diagrams what kind of ground is that smokstak antique engine community. Think i'ld use the diagram on pp b5 for your spec f gen look at ends of wires, they have faintly printed numbers on them that.