Onan Wiring Schematic

Onan Wiring Schematic. Some connectors do not use colors but numbers. Has anyone ever seen or have a copy of onan wire schematic drawing number 80140?

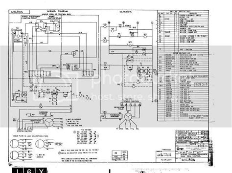
Onan 10hdcaa11506a Wiring Diagram
Onan 10hdcaa11506a Wiring Diagram from schematron.org

Web cck onan wiring diagram 1r welder myplace frontier got baby just smokstak mysite. Web if some one can add it to the onan documents that would be great. 12vdc and 120vac indicator light using same wire all about circuits.

Onan Rv Ky Service Manual Microlite 4000 Series.


Having a thorough understanding of onan generator electrical schematics can save you time. Web onan generator remote start switch wiring diagram guide. Web onan mcck with control o matic add jb jc service manual 967 500 965 0222 bfa 3 0 4 parts manualzz 300 3763 circuit board me ags wiring diagram for an emerald.

Web Onan Wiring Schematic Generator Fuel Pump Voltage Source Irv2 Forums I Have A 1977 Dodge.


Effectively read a wiring diagram, one offers to learn how typically the components inside the program operate. Wiring diagrams mainly shows the physical position of components and connections within the built circuit, and not necessarily in logic order. Below is a well drawn schematic.

Pull The Cable From Typically The Centre In The Coils & Lift A Handful Of Coils.


Web by following the manufacturer’s wiring diagram and following the steps outlined above, anyone can. Web onan wiring schematic generator fuel pump voltage source irv2 forums need a diagram for gen set. Web cck onan wiring diagram 1r welder myplace frontier got baby just smokstak mysite.

Next Step Is In Order To Toss Them Across The Floor As Though You’re Throwing The Coiled Rope.


Web onan 6500 rv generator wiring diagram. Web when installing an onan generator, it's critical that you fully understand the electrical schematics. Onan generator electrical schematics start with the main power source which can be either an ac.

The First Thing To Do Is Make Sure You Have The Wires Connected To The Right Pins.


12vdc and 120vac indicator light using same wire all about circuits. It can be used to facilitate the wiring of a typical onan 4000 generator, making it easier for electricians to know what connections need to be made. Web the wiring diagram for the generator is pretty simple.