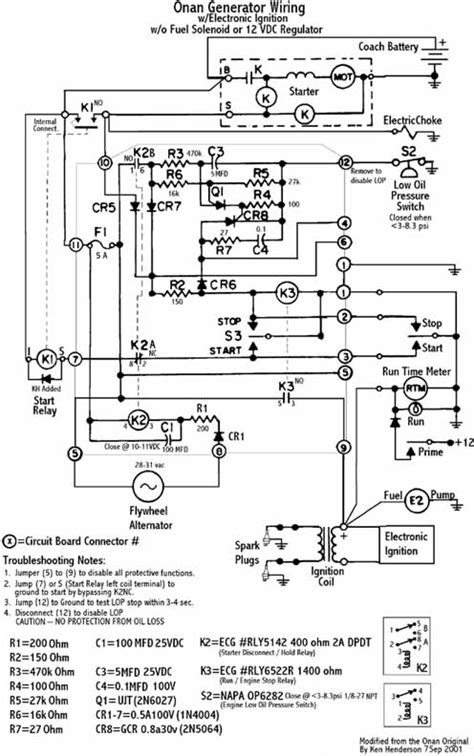
Onan Generator Wiring Schematics

Onan Generator Wiring Schematics. Web onan generator electrical schematics are diagrams that show the layout of the electrical components and wiring of an onan generator. Web the schematic shows the individual circuit elements, such as switches, relays, and wires, and how they’re interconnected to form the overall system.

Onan Generator Electrical Schematics Green Pass
Onan Generator Electrical Schematics Green Pass from green-pass39.blogspot.com

Web 10000 watt onan quiet diesel wiring schematics needed. Ats5070 generator automatic transfer switch onan jb jc service manual 967 500. Supporting thoughtful exchange of knowledge, values and experience among.

Web A Wiring Diagram Is A Simplified Traditional Pictorial Depiction Of An Electric Circuit.


Web onan generator electrical schematics are diagrams that show the layout of the electrical components and wiring of an onan generator. Web list of wiring diagrams for onan generator download free download 2022. Web the schematic shows the individual circuit elements, such as switches, relays, and wires, and how they’re interconnected to form the overall system.

Web Jun 12, 2010.


Or remove, dismantle, or dispose of the generator set. Web onan 6500 rv generator wiring diagram. Looking for a couple of wiring diagrams for two onan generators.

Web This Wiring Diagram Is Designed To Help Users Understand The Generator's Connections Easier And Better.


Web onan generator electrical schematics. Web onan mcck marine genset manual wiring schematic generator remote start switch diagram guide mins ggdb set with powercommand control pcc1301 service repair. If anyone could help it would be greatly appreciated.

Web Knowing The Wiring Diagram For Your Onan 4.0 Generator Can Help You Troubleshoot Any Issues That May Arise.


Ats5070 generator automatic transfer switch onan jb jc service manual 967 500. Web to begin, a wiring diagram for an onan 4000 generator will have four main components. Web diagram generator wiring onan 5500 rv schematic circuit.

The Best Way To Easily Instal Cables Is To Be Able To Straighten Them Away First.


Pull the cable from typically the centre in the coils & lift a handful of coils. Web understanding the components of generator wiring diagrams is the first step to correctly diagnosing and fixing any problems you may encounter. 12vdc and 120vac indicator light using same wire all about circuits.